Árbol de Cambio Bajo 22
Tráfico pesado, operación ergonómica
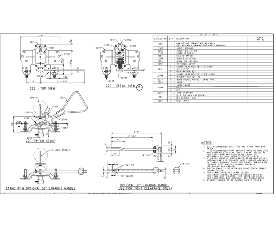
Descripción
Descripción:
Introducimos el Árbol de Cambio Bajo Semiautomático, Modelo 22. Este diseño enano está optimizado para situaciones donde el espacio es limitado o donde se requiere una operación más discreta. A pesar de su tamaño compacto, este árbol de cambio no compromete la funcionalidad y ofrece cambios de vía precisos y seguros en una variedad de configuraciones ferroviarias.
Este Árbol bajo trillable es recomendado para patios o espuelas donde el tráfico es pesado y continuo. Su tamaño permite realizar las maniobras de los operarios con mayor seguridad.
Ofrecen mejor seguridad personal en su operación, la razón es porque es más ergonómico su forma de operarlo reduce el riesgo a lesiones lumbares, resbalones pues se empujan en lugar de jalar, especialmente en condiciones de lluvia
El caballete bajo 22E es para patio, escalera y desvíos de agujas ocupados, donde los trenes a menudo pasan por agujas.
El 22E está construido con una carcasa base y partes operativas. Cuando un tren pasa por las agujas, los puntos de las agujas se abren parcialmente mediante las bridas de las ruedas, y el lanzamiento se completa automáticamente.
Esto elimina las costosas reparaciones de soporte, vías y equipos descarrilados que resultan cuando un tren pasa a través de unas agujas con un soporte rígido.
Características Principales:
- Modelo: 22E 12RT, una variante compacta y eficiente diseñada para maximizar la funcionalidad en espacios reducidos.
- Diseño Enano: Proporciona una solución óptima para situaciones donde el espacio es un factor crítico o donde se busca una estética más integrada.
- Material: Construido con materiales de alta calidad, resistente a la corrosión y al desgaste del tráfico ferroviario diario.
- Funcionalidad: Asegura transiciones de vía seguras y fluidas, garantizando la eficiencia operativa y la seguridad.
Beneficios:
- Diseño Compacto: Su formato enano permite su instalación en áreas con limitaciones de espacio sin comprometer la eficiencia.
- Operación Fiable: A pesar de su tamaño, este árbol de cambio ofrece una operación precisa y confiable en todos los cambios de vía.
- Durabilidad: Fabricado con estándares de calidad, promete una larga vida útil y resistencia al desgaste.
Recomendaciones de Uso:
Para garantizar un rendimiento óptimo, es esencial que la instalación y el mantenimiento del Árbol de Cambio Enano 22E 12RT G&B Specialities sean llevados a cabo por expertos en el ámbito ferroviario. Durante su uso, es crucial seguir todas las directrices y protocolos de seguridad.






